Guy Wilkinson's P0004 power supply is an established upgrade for many JX-10 and MKS-70 owners but few may be aware that it's also the perfect Roland JX-8P replacement power supply.
The P0004 is considerably more efficient, runs much cooler, is more stable and considerably more reliable than an aging original Roland power supply.
Having worked for the company, I have to say that I've always been a fan of Roland's power supplies. People use the term 'unreliable' but the truth is that they've been working just fine in tens of thousands of instruments all over the world, for decades. There is however, one exception and that's the power supply inside the JX-8P. In itself, there's nothing wrong with it but many JX-8P owners will know exactly what I'm talking about when I say that it's quite simply underrated. Of course I'm talking specifically about the +5V part of the PSU and crashes and lock-ups aren't uncommon.
On top of that, we need to think about the fact that these instruments are now several decades old. How much longer can we expect the very heart of the machine to last? 😒 Indeed, why would anyone risk a power supply failing and potentially bricking a gorgeous vintage synthesiser? I don't say that lightly. As an example, a common fault on the +/-15V lines pushes them to +/-21V. This could damage the sensitive analogue circuitry in the JX-8P. Fortunately the +5V supply in the JX-8P is independent and unlike the Super-JX, it isn't reliant on the +15V supply.
Guy's well-designed and P0004 is a future-proof fix. Unlike a linear power supply the P0004 is of a modular switched-mode design meaning that it's 'universal'. Yes, that's right. The P0004 replacement power supply for the Roland JX-8P will work on virtually any domestic voltage supply across the world. You don't have to switch transformer taps or use an external step up / down transformer, when moving your gear from one country / region to another.

With all the necessary connectors in place, The P0004 is a straight-forward installation for anyone with a reasonable level of technical competence. Er... well almost....
Okay, so we've all got to love that classic Roland analogue chorus. Unfortunately, the chorus circuit in the JX-8P is however, particularly noisy. It's a real shame as the chorus effect is just so rich and lush, adding a new dimension to many sounds.
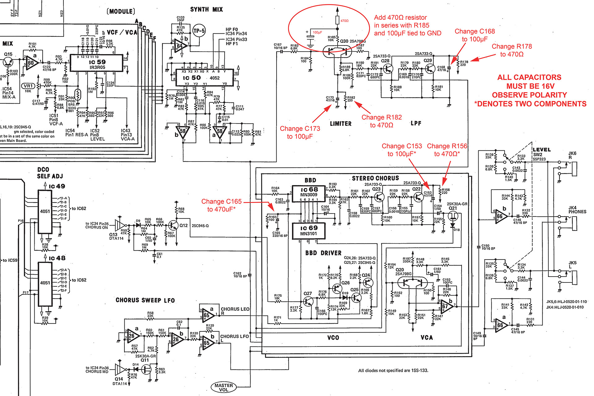
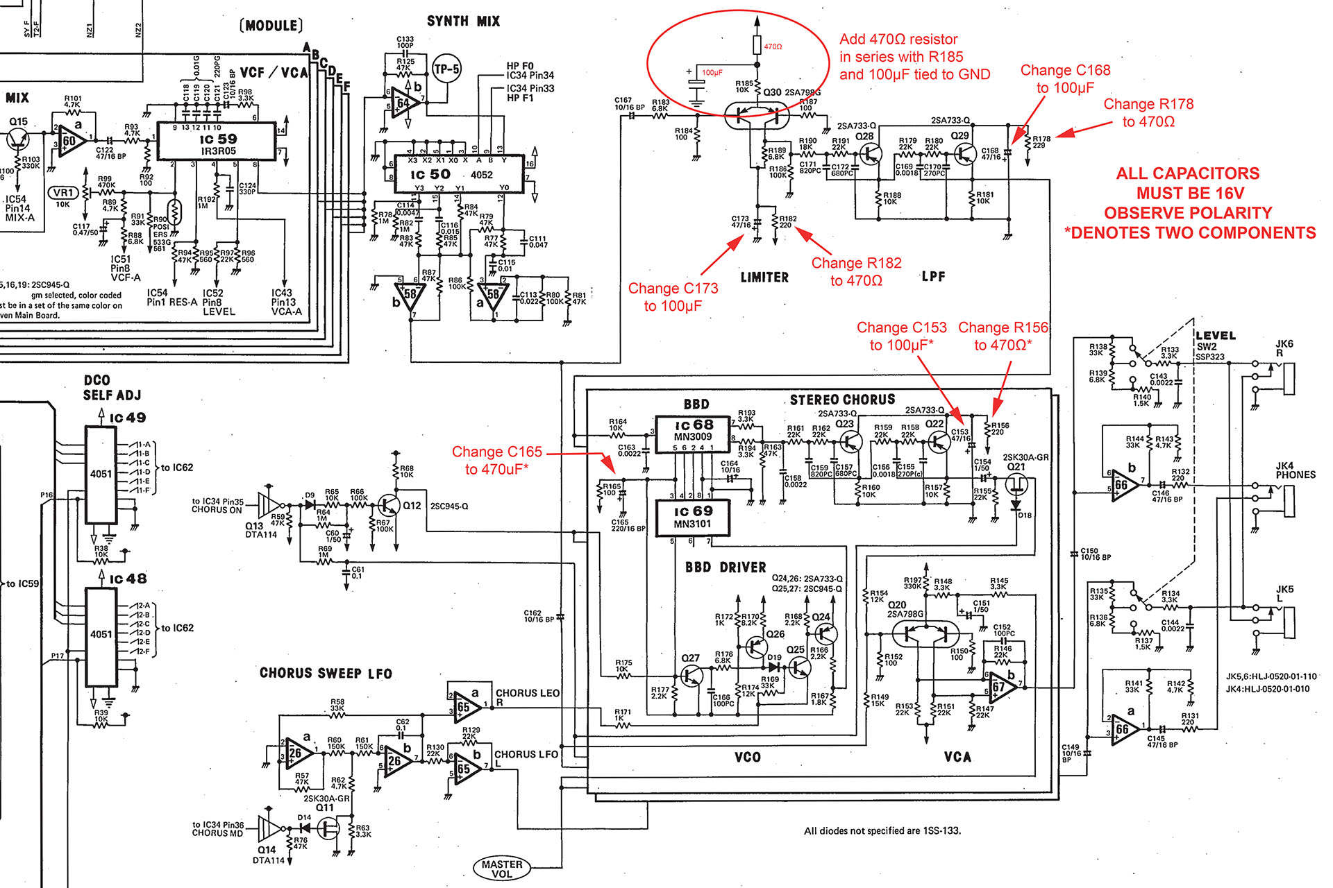
When testing the P0004 in the JX-8P, a vulnerability in the JX-8P chorus circuit was quickly exposed suggesting why it's more noisy than the chorus in say a JX-10 or MKS-70.
Looking carefully at the schematics, there seem to be two issues:
- The value of the filter capacitors and some resistors seem to be quite low.
- the powerline filtering around the chorus circuit is asymmetrically applied meaning that not both +/-15V lines are filtered in the same way, specifically around the limiter.
Hey but don't worry. With a couple of minor component value changes on the P0004, improving filtering on the -15V line and making it symmetrical, the signal-to-noise ratio of the JX-8P's chorus can be seriously improved, whether the P0004 is installed or not.
GUY WILKISON'S CHORIZO MOD.
Known as the chorizo mod, the necessary component changes are shown below.

The main-board will need to be removed and care should be taken as component density is particularly high.
Also note that while there is only one limiter and one low pass filter, there are two chorus circuits so some components references are doubled up. There are for example two C165 capacitors.
Okay, so of course you're busting to know... why 'chorizo' mod. Well, you need to ask WhatsApp spell checker (chorus / chorizo, go figure)! 🤣🤣🤣
Bottom line... The chorizo mod drastically reduces the noise of the Roland JX-8P chorus circuit, without affecting the character of the sound. It's an excellent mod and remember, it doesn't matter whether you've got a P0004 installed or not. The chorizo mod will greatly improve the quality of your JX-8P's audio output, allowing you take full advantage of that awesome Roland analogue chorus.
I've prepared a little document which provides a little more specific information and which you can download here.
ANOTHER ISSUE BUT WHICH WON'T AFFECT ALL JX-8P OWNERS...
Many JX-8Ps made in the eighties were fitted with an IEC C10 2-pin power input socket. Some even had an integral power lead. These MUST be removed and replaced with a 3-pin IEC C14 power socket and the JX-8P MUST be earthed. When purchasing the P0004, I offer am 'earth bonding kit' which includes a C14 connector.

In the first couple of images in this post, you can make out that my Live Forever battery upgrade is also installed in tats particular JX-8P. A smart little upgrade, you won't have to worry about losing your memory (?) or a leaking battery for a long, long time. 😎 In fact, the JX-8P featured, also has my AT-JX-8P replacement aftertouch sensor for the Roland JX-8P installed, giving it a whole new lease of life.

If you're having mains hum issues, the P0004 might fix things for you. The P0004 is a modular switched-mode design and doesn't generate hum like linear power supplies.
You can read more about my experiences with the P0004 here or check out Guy's website that's packed with loads of technical information here or... you can just buy it here!

